AUTOMAZIONE » Sviluppo software

Sviluppo
software

L’esperienza maturata da E.S.E.A. 2G nel campo dell’automazione permette di progettare con un elevato know-how tecnologico, software di controllo PLC e di supervisione SCADA e HMI per tutte le applicazioni di automazione, nonché servosistemi CNC Controlli Numerici Computerizzati per il controllo del movimento di macchine utensili, robot e centri flessibili di lavorazione.
Nelle fasi di progettazione applicativa, supporto informatico ed assistenza post-installazione, E.S.E.A. 2G opera a stretto contatto con il cliente affinché il software fornito realizzi al meglio le performance richieste.

Software PLC

E.S.E.A. 2G progetta, sviluppa ed installa software PLC per il comando e controllo di impianti e macchine. I software PLC vengono implementati sulle piattaforme di sviluppo Siemens, Rockwell e Schneider.

Software CNC

E.S.E.A. 2G svolge la propria attività di sviluppo software CNC nel settore dei Sistemi di Controllo per Automazione Industriale relativa a macchine utensili, robot e centri flessibili di lavorazione, proponendosi come partner di costruttori di macchine utensili a controllo numerico, produttori di apparecchiature CNC e utilizzatori finali. E.S.E.A. 2G garantisce prodotti e servizi ad ampio spettro con un’attività di consulenza, progettazione applicativa, integrazione di sistemi, supporto informatico ed assistenza post-vendita. Ciò che caratterizza i software CNC di E.S.E.A. 2G è l’alta affidabilità unita all’ergonomia di utilizzo.

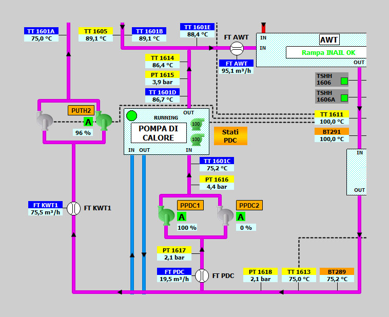
Software HMI-SCADA

Se la programmazione PLC è orientata al funzionamento dell’impianto, lo sviluppo di software per HMI – Human Machine Interface considera soprattutto l’aspetto umano, dunque l’interfaccia uomo-macchina.
Proprio per il vantaggio dell’operatore, E.S.E.A. 2G crea software HMI rispettando precisi parametri di:

  • Ergonomia: informazioni razionalmente impaginate affinché gli operatori comprendano chiaramente ciò che viene visualizzato e possano accedere facilmente alla gestione dei parametri.
  • Efficacia dei sistemi di allarme e diagnostica: per segnalare agli operatori eventuali situazioni di guasto o malfunzionamento dell’impianto con sistemi efficaci.
  • Accesso differenziato: se gli operatori hanno compiti e responsabilità differenti ciò si deve riflettere nell’interfaccia disciplinando l’accesso ai diversi livelli, ambiti e pagine tramite password.

Messa in servizio

E.S.E.A. 2G svolge tutta la messa in servizio, la supervisione, l’assistenza tecnica hardware e software dei propri sistemi.

Scopri cosa possiamo fare
per te. Insieme, diamo
forma ai tuoi progetti.